| Максимальное давление | 1,6 МПа |
| Максимальная температура | +300 °С |
| Тест на прочность корпуса | 2,4 МПа |
| Тест на герметичность | 1,76 МПа |
| 1 | Корпус | Чугун GG25 |
| 2 | Кольцо корпуса | Нержавеющая сталь X12CrNi13 |
| 3 | Крышка | Чугун GG25 |
| 4 | Шпиндель | Нержавеющая сталь Х20Cr13 |
| 5 | Маховик | Сталь |
| 6 | Сальник | Сталь St 37-2 |
| 7 | Клапан | Нержавеющая сталь X12CrNi189 |
| 8 | Сильфон | Нержавеющая сталь X5CrNi18-10 |
| 9 | Втулка | Графит–CrNiSt |
| 10 | Уплотнение крышки | Графит–CrNiSt |
| 11 | Прокладка крышки | Сталь St 8.8 |
| 12 | Шестигранный болт | Сталь St 8.8 |
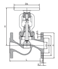
| DN | PN 16 | PN 25 | PN 16,25 | typ 71 | ||||||||||||
| D | d | K | n x do | D | d | K | n x do | Dk | h | L | H | Kvs | Kvs | |||
| mm | m3/h | kg | m3/h | kg | ||||||||||||
| 15 | 95 | 46 | 65 | 4x14 | 95 | 46 | 65 | 4x14 | 125 | 5 | 130 | 178 | 5,9 | 3,2 | 3,4 | 3,2 |
| 20 | 105 | 56 | 75 | 4x14 | 105 | 56 | 75 | 4x14 | 125 | 5 | 150 | 178 | 7,4 | 3,9 | 6,3 | 3,9 |
| 25 | 115 | 65 | 85 | 4x14 | 115 | 65 | 85 | 4x14 | 125 | 7 | 160 | 193 | 13,0 | 4,85 | 9,4 | 5,0 |
| 32 | 140 | 76 | 100 | 4x19 | 140 | 76 | 100 | 4x19 | 125 | 8 | 180 | 201 | 18,0 | 6,5 | 16,0 | 6,7 |
| 40 | 150 | 84 | 110 | 4x19 | 150 | 84 | 110 | 4x19 | 150 | 10 | 200 | 224 | 30,0 | 9,0 | 26,0 | 9,3 |
| 50 | 165 | 99 | 125 | 4x19 | 165 | 99 | 125 | 4x19 | 150 | 13 | 230 | 228 | 41,0 | 11,0 | 40,0 | 11,5 |
| 65 | 185 | 118 | 145 | 4x19 | 185 | 118 | 145 | 8x19 | 175 | 17 | 290 | 270 | 79,0 | 15,8 | 70,0 | 16,3 |
| 80 | 200 | 132 | 160 | 8x19 | 200 | 132 | 160 | 8x19 | 200 | 20 | 310 | 295 | 115 | 24,3 | 106 | 21,4 |
| 100 | 220 | 156 | 180 | 8x19 | 235 | 156 | 190 | 8x23 | 250 | 25 | 350 | 325 | 181 | 35,0 | 170 | 36,0 |
| 125 | 250 | 184 | 210 | 8x19 | 270 | 184 | 220 | 8x28 | 300 | 32 | 400 | 380 | 225 | 49,0 | 245 | 51,5 |
| 150 | 285 | 211 | 240 | 8x23 | 300 | 211 | 250 | 8x28 | 400 | 38 | 480 | 427 | 364 | 76,0 | 360 | 78,0 |
| 200 | 340 | 266 | 295 | 12x23 | 360 | 274 | 310 | 12x28 | 500 | 50 | 600 | 569 | 725 | 130,5 | - | 130,5 |
| 250 | 405 | 319 | 355 | 12x28 | - | - | - | - | 500 | 63 | 730 | 645 | - | 210 | - | - |
Запорные вентили Zetkama 234A рассчитаны на применение в отопительных сетях, энергетических системах вместе с установками, в которых носителями выступают пар, горячая или холодная вода. Также эти устройства используются в нефтехимической, судостроительной промышленности.
Эти запорные вентили отличаются высоким классом герметичности, малой строительной длиной и экологической безопасностью.
Управление осуществляется в ручном режиме с помощью штурвала. Для монтажа в систему используются соединения в виде фланцев.
В качестве материала производства корпуса применен серый чугун. Запорное устройство выполнено из антикоррозионной стали. Это вентили с сильфонным уплотнением.
Рабочая температура — -10…+300 °C.
Максимальное давление — 16 бар.



