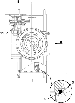
| 11 | 1 | Ручной редуктор | |
| 10 | 2 | шпонка | Нержавеющая сталь X20Cr13 |
| 9 | 2 | Кольцевая прокладка | EPDM |
| 8 | 1 | Прокладка | EPDM |
| 7 | 1 | Крышка | Углеродная сталь |
| 6 | 2 | Направляющая втулка | Бронза +DELRIN |
| 5 | 1 | Ведомый шток | Нержавеющая сталь X20Cr13 |
| 4 | 1 | Ведуший шток | Нержавеющая сталь X20Cr13 |
| 3 | 1 | Стяжное кольцо | Углеродная сталь |
| 2 | 1 | Диск |
Ковкий чугун EN-GJS-400-15 |
| 1 | 1 | Корпус |
Ковкий чугун EN-GJS-400-15 |
| Поз. | Кол-во | Описание | Материал |
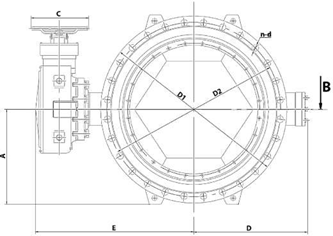
| Ду | L | A | B | ØC | D | ØD1 | ØD2 | E | n-d |
Вес (кг) |
|
| мм |
дю йм |
||||||||||
| 100 | 4” | 190 | 127,5 | 119 | 180 | 142 | 235 | 190 | 257 | 8-Ø23 | 36 |
| 150 | 6” | 210 | 165 | 144 | 240 | 188 | 300 | 250 | 320 | 8-Ø28 | 56 |
| 200 | 8” | 230 | 190 | 253,4 | 320 | 221 | 360 | 310 | 365 | 12-Ø28 | 80 |
| 250 | 10” | 250 | 220 | 253,4 | 320 | 254 | 425 | 370 | 402 | 12-Ø31 | 104 |
| 300 | 12” | 270 | 250 | 320 | 400 | 298 | 485 | 430 | 459 | 16-Ø31 | 180 |
| 350 | 14” | 290 | 285 | 320 | 240 | 318 | 555 | 490 | 512 | 16-Ø34 | 208 |
| 400 | 16” | 310 | 315 | 348 | 400 | 370 | 620 | 550 | 575 | 16-Ø37 | 294 |
| 450 | 18” | 330 | 340 | 348 | 400 | 406 | 670 | 600 | 585 | 20-Ø37 | 361 |
| 500 | 20” | 350 | 370 | 385 | 400 | 453 | 730 | 660 | 659 | 20-Ø37 | 416 |
| 600 | 24” | 390 | 427,5 | 385 | 400 | 495 | 845 | 70 | 740 | 20-Ø41 | 618 |
| 700 | 28” | 430 | 485 | 430 | 400 | 569 | 960 | 875 | 829 | 24-Ø44 | 938 |
| 800 | 32” | 470 | 547,5 | 430 | 400 | 646 | 1085 | 990 | 925 | 24-Ø50 | 1192 |
| 900 | 36” | 510 | 597,5 | 430 | 400 | 695 | 1185 | 1090 | 974 | 28-Ø50 | 1492 |
| 1000 | 40” | 550 | 665 | 515 | 400 | 779 | 1320 | 1210 | 1144 | 24-Ø57 / 4-M52 | 2111 |
| 1200 | 48” | 630 | 770 | 612 | 400 | 903 | 1530 | 1420 | 1349 | 32-Ø57 | 3046 |
| 1400 | 56" | 710 | 882,5 | 612 | 400 | 1041 | 1755 | 1640 | 1475 | 36-Ø62 | 4808 |
| 1600 | 64” | 790 | 992,5 | 795 | 600 | 1208 | 1975 | 1860 | 1644 | 36-Ø62 / 4-M56 | 6727 |
Поворотные дисковые затворы Tecofi VP4251 серии ТЕКВАТ применяются в трубопроводных системах по перекачиванию питьевой воды при максимальном рабочем давлении 25 бар. Этот вид запорно-регулирующей арматуры с двойным эксцентриситетом и удлиненным корпусом выполнен с использованием пищевого эпоксидного покрытия.
С помощью фланцевого соединения поворотные дисковые затворы монтируют в трубопровод с ориентацией по рекомендованному направлению. Корпус и диск изготовлены из ковкого чугуна, ведомый и ведущий шток, шпонка — из нержавеющей стали, направляющая втулка — из бронзы, крышка ‒ из углеродистой стали. Материал уплотнения (заменяемые кольцевые прокладки) — EPDM.


