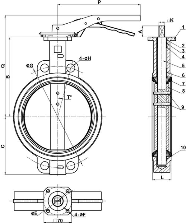
| 10 | 1 | Самосмазывающаяся прокладка | Стекловолокно/ PTFE |
| 9 | 2 | Шпонка | Нерж. сталь 420 |
| 8 | 1 | Диск | Fonte ductile EN-GJS-400-15 |
| 7 | 1 | Манжета | Жаростойкий ЭПДМ |
| 6 | 1 | Самосмазывающаяся прокладка | Стекловолокно/ PTFE |
| 5 | 1 | Шток | Нерж. сталь 420 |
| 4 | 1 | Кольцо | Стекловолокно/ PTFE |
| 3 | Кольцевая прокладка | NBR | |
| 2 | 1 | Кольцо |
Стекловолокно/ PTFE |
| 1 | 1 | Корпус |
Fonte ductile EN-GJS-400-15 |
| Поз. | Кол-во | Описание | Материал |
| Ду | L | A | B | C | ØE | ØF | ØG | ØH | T° | K | P | Q | ISO |
Вес (кг) |
|
50 – 2" |
42 | 32 | 161 | 80 | 70 | 10 | 125 | 19 | 45° | 11 | 42 | 214 | F07 | 4 |
| 65 – 2"1/2 | 45 | 32 | 175 | 89 | 70 | 10 | 145 | 19 | 22,5° | 11 | 45 | 228 | F07 | 4,7 |
| 80 – 3" | 45 | 32 | 181 | 95 | 70 | 10 | 160 | 19 | 22,5° | 11 | 45 | 234 | F07 | 5 |
| 100 – 4" | 52 | 32 | 200 | 114 | 70 | 10 | 190 | 23 | 22,5° | 11 | 52 | 253 | F07 | 7 |
| 125 – 5" | 54 | 32 | 213 | 127 | 70 | 10 | 220 | 28 | 22,5° | 14 | 54 | 266 | F07 | 9,5 |
| 150 – 6" | 56 | 32 | 226 | 139 | 70 | 10 | 250 | 28 | 22,5° | 14 | 56 | 279 | F07 | 11,5 |
| Уплотнение по запросу | Максимальная температура |
Максимальная кратковременная температура |
| ЭПДМ | +4°C / +110°C | +4°C / +110°C |
| CSM (Гипалон) | +4°C / +80°C | -20°C / +110°C |
| FPM (Витон) | -10°C / +170°C | -20°C / +200°C |
| Силикон | -20°C / +170°C | -40°C / +200°C |
| Нитрил (NBR) | -10°C / +80°C | -20°C / +90°C |
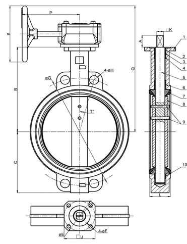
| 10 | 1 |
Самосмазывающаяся прокладка |
Стекловолокно/ PTFE |
| 9 | 2 | Шпонка | Нерж. сталь 420 |
| 8 | 1 | Диск |
Fonte ductile EN-GJS-400-15 |
| 7 | 1 | Манжета | Жаростойкий ЭПДМ |
| 6 | 1 |
Самосмазывающаяся прокладка |
Стекловолокно/ PTFE |
| 5 | 1 | Шток | Нерж. сталь 420 |
| 4 | 1 | Кольцо | Стекловолокно/ PTFE |
| 3 | Кольцевая прокладка | NBR | |
| 2 | 1 | Кольцо |
Стекловолокно/ PTFE |
| 1 | 1 | Корпус |
Fonte ductile EN-GJS-400-15 |
| Поз. | Кол-во | Описание | Материал |
| Ду | B | C | E | F | G | H | T° | K | J | L | Ø | P | Q | Перед. число | Вес (кг) | |
| 200 – 8" | 45,0 | 260 | 175 | 102 | 12 | 310 | 28 | 15° | 17 | 95 | 60 | 200 | 206 | 390 | 40:1 | 21 |
| 250 – 10" | 45,0 | 292 | 203 | 102 | 12 | 370 | 31 | 15° | 22 | 95 | 66 | 295 | 224 | 477 | 30:1 | 30,5 |
| 300 – 12" | 45,0 | 337 | 242 | 102 | 12 | 430 | 31 | 11,25° | 22 | 95 | 77 | 295 | 225 | 522 | 50:1 | 48,5 |
Поворотные дисковые затворы Tecofi типа ТЕКФЛАЙ серии VP4458 предназначены для использования в качестве запорно-регулирующей арматуры в трубопроводных сетях по транспортировке воды, газов, жидких агрессивных сред. Рассчитаны на температурный диапазон перекачиваемой среды -15 °С…+130 °С, рабочее давление до 25 бар.
Поворотные дисковые затворы этого типа обеспечивают полную герметичность перекрытия потока в обоих направлениях. Корпус и поворотный диск изготовлены из ковкого чугуна; шпонка и шток — из нержавеющей стали; уплотнительные конструкции — из силикона, EPDM, PTFE, нитрила, гипалона, витона (в зависимости от условий эксплуатации). Тип соединения — межфланцевое. Управление осуществляется механическим редуктором.
ПРИМЕНЕНИЕ
