| 14 | 1 | Ручка | Ковкий чугун |
| 13 | 1 | Заклепка | Алюминий |
| 12 | 1 | Шильда | Нерж. сталь 304 |
| 11 | 2 | Стопорное кольцо | Сталь 65Mn |
| 10 | 1 | Пробка | Пластмасса |
| 9 | 1 | Вкладыш | Нерж. сталь 201 + F4 |
| 8 | 2 | Кольцевая прокладка | Нитрил |
| 7 | 1 | Пыльник | Нитрил |
| 6 | 1 | Стопорное кольцо | Нерж. сталь 201 |
| 5 | 1 | Нижний шток | Нерж. сталь 420 |
| 4 | 1 | Верхний шток | Нерж. сталь 420 |
| 3 | 1 | Манжета | Жаростойкий ЭПДМ |
| 2 | 1 | Диск | Нерж. сталь CF8M |
| 1 | 1 | Корпус | Ковкий чугун EN‐GJS‐500‐7 |
| Поз. | Кол‐во | Описание | Материал |
| Ду | A | B | C | D | ØE | L | Вес (кг) | |
| мм | дюйм | |||||||
| 40 * | 1"1/2 | 135 | 52 | 52,5 | 180 | 75 | 32,5 | 2,1 |
| 50 | 2" | 140 | 60 | 52,5 | 180 | 84,5 | 42,5 | 2,7 |
| 65 | 2"1/2 | 150 | 70 | 52,5 | 180 | 104,5 | 45,5 | 3,1 |
| 80 | 3" | 156 | 91,6 | 52,5 | 180 | 123,5 | 45,5 | 3,5 |
| 100 | 4" | 169 | 90 | 52,5 | 180 | 139,5 | 51,5 | 4,4 |
| 125 | 5" | 190 | 105 | 52,5 | 220 | 169,5 | 55,5 | 6,3 |
| 150 | 6" | 200 | 120 | 52,5 | 220 | 196 | 55,5 | 7,75 |
| 200 | 8" | 224 | 158 | 65 | 450 | 247 | 59,5 | 14,3 |
| 250 | 10" | 265 | 197 | 65 | 450 | 304 | 67,5 | 20,55 |
| 300 | 12" | 303 | 230 | 65 | 450 | 358 | 77,5 | 28,6 |
| Уплотнение под заказ |
Максимальная температура |
Кратковременная температура |
| ЭПДМ | + 4°C / + 110°C | - 20°C / +130°C |
| Белый ЭПДМ | + 4°C / + 110°C | - 20°C / +130°C |
| CSM (Hypalon®) | + 4°C / +80°C | - 20°C / +110°C |
| FPM (Viton®) | - 10°C / +170°C | - 20°C / +200°C |
| Силикон | - 20°C / +170°C | - 40°C / +200°C |
| Нитрил (NBR) | - 10°C / +80°C | - 20°C / +90°C |
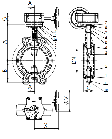
| 16 | 1 | Редуктор | |
| 15 | 4 | Шайба | Нерж. сталь 304 |
| 14 | 4 | Болт | Нерж. сталь 304 |
| 13 | 2 | Заклепка | Алюминий |
| 12 | 1 | Шильда | Нерж. сталь 304 |
| 11 | 2 | Стопорное кольцо | Сталь 65Mn |
| 10 | 1 | Пробка | Пластмасса |
| 9 | 1 | Вкладыш | Нерж. сталь 201 + F4 |
| 8 | 2 | Кольцевая прокладка | Нитрил |
| 7 | 1 | Пыльник | Нитрил |
| 6 | 1 | Стопорное кольцо | Нерж. сталь 201 |
| 5 | 1 | Нижний шток | Нерж. сталь 420 |
| 4 | 1 | Верхний шток | Нерж. сталь 420 |
| 3 | 1 | Манжета | Жаростойкий ЭПДМ |
| 2 | 1 | Диск | Нерж. сталь CF8M |
| 1 | 1 | Корпус | Ковкий чугун EN‐GJS‐500‐7 |
| Поз. | Кол‐во | Описание | Материал |
| Ду | A | B | C | G | ØE | X | V | Вес (кг) | |
| мм | дюйм | ||||||||
| 40* | 1"1/2 | 135 | 52 | 32,5 | 180 | 75 | 131,5 | 120 | 4,8 |
| 50 | 2" | 140 | 60 | 42,5 | 180 | 84,5 | 131,5 | 120 | 5,4 |
| 65 | 2"1/2 | 150 | 70 | 45,5 | 180 | 104,5 | 131,5 | 120 | 5,8 |
| 80 | 3" | 156 | 91,6 | 45,5 | 180 | 123,5 | 131,5 | 120 | 6,2 |
| 100 | 4" | 169 | 90 | 51,5 | 180 | 139,5 | 131,5 | 120 | 7,1 |
| 125 | 5" | 190 | 105 | 55,5 | 22 | 169,5 | 131,5 | 120 | 9,0 |
| 150 | 6" | 200 | 120 | 55,5 | 220 | 196 | 131,5 | 120 | 10,4 |
| 200 | 8" | 224 | 158 | 59,5 | 450 | 247 | 206 | 200 | 16,1 |
| 250 | 10" | 265 | 197 | 67,5 | 450 | 304 | 206 | 200 | 22,4 |
| 300 | 12" | 303 | 230 | 77,5 | 450 | 358 | 206 | 200 | 30,4 |
| Уплотнение под заказ |
Максимальная температура |
Кратковременная температура |
| ЭПДМ | + 4°C / + 110°C | - 20°C / +130°C |
| Белый ЭПДМ | + 4°C / + 110°C | - 20°C / +130°C |
| CSM (Hypalon®) | + 4°C / +80°C | - 20°C / +110°C |
|
FPM (Viton®) |
- 10°C / +170°C | - 20°C / +200°C |
|
Силикон |
- 20°C / +170°C | - 40°C / +200°C |
| Нитрил (NBR) | - 10°C / +80°C | - 20°C / +90°C |
Поворотные дисковые затворы VPI4449 — запорная арматура, рассчитанная на эксплуатации с широким рядом рабочих сред, в том числе с водой, морской водой, сжатым воздухом, кислотами. Оборудование имеет межфланцевое исполнение с гладкими проушинами.
Благодаря исполнению диска из нержавеющей стали достигается высокая долговечность арматуры. Пропускная способность улучшена за счет штока, выполненного из двух частей. Качественное уплотнение из жаростойкого EPDM обеспечивает двухстороннюю герметичность по классу «А».
В данной серии вы можете заказать поворотные дисковые затворы Tecofi с проходным диаметром от 40 мм до 300 мм. Максимальное рабочее давление — до 16 бар.

ПРИМЕНЕНИЕ 