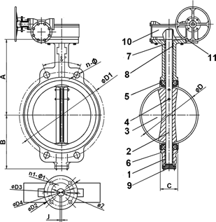
| 11 | 1 | Штурвал | Ковкий чугун |
| 10 | 1 | Редуктор | Ковкий чугун |
| 9 | 1 | Крышка | Ковкий чугун |
| 8 | Вкладыш | Медный сплав | |
| 7 | 1 | Кольцевая прокладка | Нитрил |
| 6 | Вкладыш | Медный сплав | |
| 5 | 1 | Манжета | Жаростойкий ЭПДМ |
| 4 | Шпонка | Нерж.сталь 410 | |
| 3 | 1 | Диск | Нерж.сталь CF8M |
| 2 | Шток | Нерж.сталь 410 | |
| 1 | 1 | Корпус |
Ковкий чугун EN- GJS400-15 |
| Поз. | Кол-во | Описание | Материал |
| Ду | A | B | C | ØD | Ø2 | ISO | ØD2 | ØD3 | ØD4 | n1‐Ø1 | ØD1 | n‐Ø | 4‐M | &° | J |
Вес (кг) |
|
| мм | дюйм | ||||||||||||||||
| 350 | 14" | 368 | 267 | 76,5 | 333,5 | 31,6 | F14 | 175 | 140 | 100 | 4‐18 | 460 | 16‐23 | ‐ | 22,5 | 8 | 70 |
| 400 | 16" | 400 | 309 | 102 | 389,6 | 37,9 | F14 | 175 | 140 | 100 | 4‐18 | 515 | 16‐28 | ‐ | 22,5 | 10 | 99 |
| 450 | 18" | 422 | 340 | 114 | 440,5 | 37,9 | F14 | 175 | 140 | 100 | 4‐18 | 565 | 20‐28 | ‐ | 18 | 10 | 119 |
| 500 | 20" | 442 | 365 | 127 | 491,6 | 45,7 | F14 | 175 | 140 | 100 | 4‐18 | 620 | 20‐28 | ‐ | 18 | 14 | 126 |
| 600 | 24" | 562 | 459 | 151 | 592,5 | 50,6 | F16 | 210 | 165 | 130 | 4‐22 | 725 | 20‐31 | ‐ | 18 | 16 | 226 |
| 700 | 28" | 624 | 520 | 163 | 695 | 63,3 | F25 | 300 | 254 | 200 | 8‐18 | 840 | 20‐31 | 4‐M27 | 15 | 18 | 383 |
| 800 | 32" | 672 | 591 | 188 | 794,7 | 63,3 | F25 | 300 | 254 | 200 | 8‐18 | 950 | 20‐34 | 4‐M30 | 15 | 18 | 488 |
| 900 | 36" | 720 | 656 | 203 | 864,7 | 75 | F25 | 300 | 254 | 200 | 8‐18 | 1050 | 24‐34 | 4‐M30 | 12,85 | 20 | 651 |
| 1000 | 40" | 800 | 722 | 216 | 965 | 85 | F25 | 300 | 254 | 200 | 8‐18 | 1160 | 24‐37 | 4‐M33 | 12,85 | 22 | 840 |
| 1200 | 48" | 941 | 864 | 276 | 1160,6 | 105 | F30 | 350 | 298 | 230 | 8‐22 | 1380 | 28‐41 | 4‐M36 | 11,25 | 28 | 1229 |
| Ду | D1 | D2 | D3 | D4 | D5 | f | Ø1 | Ø2 | n‐M | Фланец EN ISO | n‐Ø1 | b | L | Крутящий момент, выходной вал затвора (Нм) | Редуктор | Крутящий момент*, выходной вал редуктора (Нм) | |||||
| мм | дюйм | 5211 | 5210 | Передаточное отношение | КПД I | КПД II | Кол-во оборотов | ||||||||||||||
| 350 | 14" | 175 | 140 | 125 | 102 | 70 | 3 | 20 | 31,6 | 4‐M16 | F14 | F10 | 4‐Ø12 | 6 | 30 | 610 | 532:1 | 0,47 | 0,33 | 133 | 7 |
| 400 | 16" | 175 | 140 | 125 | 102 | 70 | 3 | 20 | 37,9 | 4‐M16 | F14 | F10 | 4‐Ø12 | 6 | 30 | 890 | 532:1 | 0,47 | 0,33 | 133 | 11 |
| 450 | 18" | 175 | 140 | 125 | 102 | 70 | 3 | 20 | 37,9 | 4‐M16 | F14 | F10 | 4‐Ø12 | 6 | 30 | 1240 | 532:1 | 0,47 | 0,33 | 133 | 15 |
| 500 | 20" | 175 | 140 | 125 | 102 | 70 | 3 | 20 | 45,7 | 4‐M16 | F14 | F10 | 4‐Ø12 | 6 | 30 | 1670 | 532:1 | 0,47 | 0,33 | 133 | 20 |
| 600 | 24" | 210 | 165 | 125 | 102 | 70 | 3 | 20 | 50,6 | 4‐M20 | F16 | F10 | 4‐Ø12 | 6 | 30 | 2560 | 640:1 | 0,43 | 0,32 | 160 | 29 |
| 700 | 28" | 300 | 254 | 125 | 102 | 70 | 3 | 28 | 63,4 | 8‐M16 | F25 | F10 | 4‐Ø12 | 8 | 45 | 3720 | 704:1 | 0,43 | 0,27 | 176 | 46 |
| 800 | 32" | 300 | 254 | 125 | 102 | 70 | 3 | 28 | 63,4 | 8‐M16 | F25 | F10 | 4‐Ø12 | 8 | 45 | 5640 | 704:1 | 0,43 | 0,27 | 176 | 69 |
| 900 | 36" | 300 | 254 | 125 | 102 | 70 | 3 | 28 | 75 | 8‐M16 | F25 | F10 | 4‐Ø12 | 8 | 45 | 7650 | 848:1 | 0,47 | 0,27 | 212 | 71 |
| 1000 | 40" | 300 | 254 | 175 | 140 | 100 | 4 | 28 | 85 | 8‐M16 | F25 | F14 | 4‐Ø20 | 8 | 45 | 9800 | 848:1 | 0,47 | 0,27 | 212 | 91 |
| 1200 | 48" | 350 | 298 | 175 | 140 | 100 | 4 | 30 | 105 | 8‐M20 | F30 | F14 | 4‐Ø20 | 8 | 45 | 16800 | 1072:1 | 0,47 | 0,27 | 268 | 123 |
Поворотные дисковые затворы VPE4409 используются в качестве запорной арматуры для трубопроводов, рабочей средой в которых выступает вода или сточные воды.
Конструктивное исполнение обеспечивает 100% герметичность в обоих направлениях. Корпус затвора изготовлен из чугуна. Диск выполнен из нержавеющей стали. Манжета из жаростойкого EPDM имеет алюминиевое внутреннее усиление, за счет чего снижается крутящий момент.
Поворотные дисковые затворы Tecofi поставляются в межфланцевом исполнении с проушинами с Ду350-Ду600 и в исполнении с центровочным фланцем с гладкими проушинами с Ду700-Ду1200. Рабочее давление составляет 10 бар. Рабочая температура — от -15 °C до +130 °C. Допускается кратковременное воздействие температур от -30 °C до +150 °C.



