Дисковые поворотные затворы SYLAX VFY-LG применяются для перекрытия или дросселирования потока среды в системах горячего и холодного водоснабжения, отопления, а также в системах, в которых производится транспортировка гликолевых растворов 50%. Используются для установки в середине или в конце трубопровода.
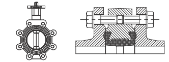
Затворы типа VFY-LG имеют легко разборную систему, позволяющую упростить их техническое обслуживание. Данное оборудование приводится в действие посредством редуктора.
Самоцентрирующийся диск из нержавеющей стали обеспечивает высокую степень герметичного затвора. Шлицевое соединение штока и диска надежно передает вращательный момент и уменьшает износ. Антифрикционные подшипники позволяют увеличить срок эксплуатации оборудования. Все детали данных затворов взаимозаменяемы.
Затворы VFY-LG имеют следующие характеристики:
Дисковые поворотные затворы SYLAX VFY-LG применяются для установки в середине или в конце трубопровода. Подходят для перекрытия или дросселирования потока среды в системах отопления, горячего и холодного водоснабжения, а также в системах, в которых осуществляется перекачка гликолевых растворов 50%.
Затворы типа VFY-LG приводятся в действие с помощью ручного редукторного привода. Имеют легко разборную систему, упрощающую их техническое обслуживание.
Перекачиваемые среды: Вода для систем отопления, ГВС, ХВС, гликолевые растворы до 50%.
Температура:
-10°С …+130 °С – для затворов Ду50-150 с диском AISI316
-15°С …+130 °С – для затворов Ду200-300 с диском AISI316
Минимальная температура окружающей среды:
-10°С (для Ду50-150)
-15 °С (для Ду200-300)
Герметичность затвора: класс А (ГОСТ Р 54808-2011)
Тип корпуса: с резьбовыми отверстиями
Материал корпуса:
Ду 32-150— Серый чугун GG25
Ду 200-300— Высокопрочный чугун GGG40
Седловое уплотнение — EPDM
| Эскиз | Ду, мм | Ру, бар |
Присоединительный размер фланцев, соответствующий Ру, бар |
Материал дис- ка затвора |
Кодовый номер |
|||||
|
50 | 16 | 16 | Коррозионно- стойкая сталь AISI316 | 065B7460 | |||||
| 65 | 065B7461 | |||||||||
| 80 | 065B7462 | |||||||||
| 100 | 065B7463 | |||||||||
| 125 | 065B7464 | |||||||||
| 150 | 065B7465 | |||||||||
| 200 | 065B7466 | |||||||||
| 250 | 065B7467 | |||||||||
| 300 | 065B7468 | |||||||||
| 350 | 065B7469 | |||||||||
| № | Деталь | Материал | |
| 1 | Корпус затвора | Серый чугун GG25/высокопрочный чугун GGG40 | |
| 2 | Седловое уплотнение | EPDM/NBR/другие | |
| 3 | Диск |
/нержавеющая сталь AISI 316 |
|
| 4 | Шток | Нерж. сталь ASTM 420 | |
| 5 | Подшипник скольжения | Оцинкованная сталь + тефлон | |
| 6 | Подшипник скольжения | Оцинкованная сталь + тефлон | |
| 7 | Втулка | Нерж. сталь AISI304 + пластик | |
| 8 | Кольцевое уплотнение | NBR | |
| 9 | Уплотнительная втулка | Нерж. сталь AISI304, латунь, пластик | |
| 10 | Стопорное кольцо | Сталь/нерж. сталь ASTM 420 | |
| 11 | Шильд | Алюминий | |
| 12 | Заклепки | Алюминий | |
| № | Деталь | Материал | |||
| 1а | Верхний вал | Нерж. сталь ASTM420 | |||
| 3 | Корпус | Высокопрочный чугун GGG40 | |||
| 4 | Кольцевое уплотнение | Нитрил (NBR) | |||
| 5 | Центрирующие и анти- фрикционные подшип- ники | Оцинкованная сталь с PTFE покрытием | |||
| 6 | Седловое уплотнение | EPDM | |||
| 7 | Диск | нержавеющая сталь AISI 316 | |||
| 8 | Нижний вал | Нерж. сталь ASTM420 | |||
| 9 | Заклепки | Нерж. сталь | |||
| 10 | Шайба | Оцинкованная сталь | |||
| 11 | Болты | Оцинкованная сталь | |||
| 12 | Кольцо дистанционное | Сталь ASTM grC/D | |||
| 13 | Нижняя крышка | Сталь ASTM grC/D | |||
| 14 | Кольцевое уплотнение | Нитрил | |||
| 15 | Идентификационный шильдик | Алюминий | |||
| 16 | Стопорное кольцо пру- жинное | Сталь | |||
| 17 | Опорный шарик | Сталь ASTM 52100 | |||
| 18 | Опорная шайба | Сталь ASTM 420 | |||
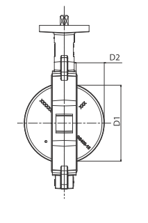
| Ду, мм | Выступание диска, мм | |||||||||||||||||||||||
| D1 | D2 | |||||||||||||||||||||||
| 25 | 6 | 1 | ||||||||||||||||||||||
| 32/40 | 31 | 6,5 | ||||||||||||||||||||||
| 50 | 33 | 6 | ||||||||||||||||||||||
| 65 | 55 | 13 | ||||||||||||||||||||||
| 80 | 73 | 20 | ||||||||||||||||||||||
| 100 | 87 | 25 | ||||||||||||||||||||||
| 125 | 113 | 35 | ||||||||||||||||||||||
| 150 | 141 | 48 | ||||||||||||||||||||||
| 200 | 192 | 71 | ||||||||||||||||||||||
| 250 | 242 | 91,5 | ||||||||||||||||||||||
| 300 | 291 | 112 | ||||||||||||||||||||||
| 350 | 331 | 132 | ||||||||||||||||||||||
| 400 | 381 | 146 | ||||||||||||||||||||||
| 450 | 430 | 166 | ||||||||||||||||||||||
| 500 | 478 | 184 | ||||||||||||||||||||||
| 600 | 575 | 221 | ||||||||||||||||||||||
| 700 | 675 | 265 | ||||||||||||||||||||||
| 800 | 772 | 303 | ||||||||||||||||||||||
| 900 | 872 | 346 | ||||||||||||||||||||||
| 1000 | 971 | 390 | ||||||||||||||||||||||
| 1200 | 1134 | 454 | ||||||||||||||||||||||
| Ду | A | B | C | D | øE | Масса | ||
| Центр. проуш. | Резьб. отв. | Центр. проуш. | Резьб. отв. | |||||
| мм | кг | |||||||
| 25 | 50 | – | 214,5 | 120 | 33 | 125 | 2,8 | - |
| 32 | 57 | 219,5 | 120 | 33 | 125 | 2,9 | 2,8 | |
| 40 | 57 | 219,5 | 120 | 33 | 125 | 2,9 | 2,8 | |
| 50 | 62 | 225,5 | 120 | 43 | 125 | 3,6 | 4,0 | |
| 65 | 70 | 234,5 | 120 | 46 | 125 | 4,0 | 4,5 | |
| 80 | 89 | 240,5 | 120 | 46 | 125 | 4,3 | 5,4 | |
| 100 | 106 | 103 | 264,5 | 120 | 52 | 125 | 6,3 | 7,9 |
| 125 | 120 | 119 | 279,5 | 120 | 56 | 125 | 7,4 | 9,9 |
| 150 | 131 | 133 | 292,5 | 120 | 56 | 125 | 8,5 | 11,9 |
| 200 | 164 | 168 | 373,5 | 120 | 60 | 125 | 15,0 | 21,4 |
| 250 | 200 | 198 | 399 | 197 | 68 | 200 | 22,9 | 29,6 |
| 300 | 235 | 227 | 459 | 239 | 78 | 250 | 34,3 | 41,3 |
| 350 | 270 | 248 | 468 | 239 | 78 | 250 | 41,4 | 49,7 |
| Ду | A | B | C | D | øE | Вес, кг | ||||||||||||||||||
| мм | ||||||||||||||||||||||||
| 400 | 286 | 619 | 302 | 102 | 400 | 71,2 | ||||||||||||||||||
| 450 | 315 | 658 | 408 | 114 | 400 | 89,0 | ||||||||||||||||||
| 500 | 355 | 682 | 312 | 127 | 400 | 162,5 | ||||||||||||||||||
| 600 | 415 | 793 | 346 | 154 | 500 | 174,3 | ||||||||||||||||||
| 700 | 460 | 931 | 487 | 165 | 600 | 251,6 | ||||||||||||||||||
| 800 | 520 | 935 | 447 | 190 | 500 | 296,6 | ||||||||||||||||||
| 900 | 583 | 1059 | 500 | 203 | 600 | 622,6 | ||||||||||||||||||
| 1000 | 640 | 1111 | 500 | 216 | 600 | 711,0 | ||||||||||||||||||
| Pу10 | Pу16 | |||||||||||||||||||||||||||||||||
| Ду, мм | Болт | Шайба | Ду, мм | Болт | Шайба | |||||||||||||||||||||||||||||
| Обозн. | Кол. | Обозн. | Кол. | Обозн. | Кол. | Обозн. | Кол. | |||||||||||||||||||||||||||
| 32 | Болт М16 - 30 Ст.35 | 8 | Шайба 16 | 8 | 32 | Болт М16 - 30 Ст.35 | 8 | Шайба 16 | 8 | |||||||||||||||||||||||||
| 40 | Болт М16 - 30 Ст.35 | 8 | Шайба 16 | 8 | 40 | Болт М16 - 30 Ст.35 | 8 | Шайба 16 | 8 | |||||||||||||||||||||||||
| 50 | Болт М16 - 35 Ст.35 | 8 | Шайба 16 | 8 | 50 | Болт М16 - 35 Ст.35 | 8 | Шайба 16 | 8 | |||||||||||||||||||||||||
| 65 | Болт М16 - 40 Ст.35 | 8 | Шайба 16 | 8 | 65 | Болт М16 - 40 Ст.35 | 8 | Шайба 16 | 8 | |||||||||||||||||||||||||
| 80 | Болт М16 - 40 Ст.35 | 16 | Шайба 16 | 16 | 80 | Болт М16 - 40 Ст.35 | 16 | Шайба 16 | 16 | |||||||||||||||||||||||||
| 100 | Болт М16 - 45 Ст.35 | 16 | Шайба 16 | 16 | 100 | Болт М16 - 45 Ст.35 | 16 | Шайба 16 | 16 | |||||||||||||||||||||||||
| 125 | Болт М16 - 50 Ст.35 | 16 | Шайба 16 | 16 | 125 | Болт М16 - 50 Ст.35 | 16 | Шайба 16 | 16 | |||||||||||||||||||||||||
| 150 | Болт М20 - 50 Ст.35 | 16 | Шайба 20 | 16 | 150 | Болт М20 - 50 Ст.35 | 16 | Шайба 20 | 16 | |||||||||||||||||||||||||
| 200 | Болт М20 - 50 Ст.35 | 16 | Шайба 20 | 16 | 200 | Болт М20 - 55 Ст.35 | 24 | Шайба 20 | 24 | |||||||||||||||||||||||||
| 250 | Болт М20 - 60 Ст.35 | 24 | Шайба 20 | 24 | 250 | Болт М24- 60 Ст.35 | 24 | Шайба 24 | 24 | |||||||||||||||||||||||||
| 300 | Болт М20 - 65 Ст.35 | 24 | Шайба 20 | 24 | 300 | Болт М24- 65 Ст.35 | 24 | Шайба 24 | 24 | |||||||||||||||||||||||||
| 350 | Болт М20 - 65 Ст.35 | 32 | Шайба 20 | 32 | 350 | Болт М24- 70 Ст.35 | 32 | Шайба 24 | 32 | |||||||||||||||||||||||||
Поворотные дисковые затворы Danfoss Sylax VFY-LG могут применяться в сетях трубопроводов с холодной или горячей водой в качестве теплоносителя, отопительных, вентиляционных сетях.
Поворотные дисковые затворы управляются с помощью редукторного механизма. Монтаж осуществляется посредством межфланцевых соединений, имеющих проушины с резьбой.
За счет двойного уплотнения обеспечивается высокая герметичность по штоку. Шток с диском отличаются шлицевым соединением, что делает конструкцию долговечной. Простая разборная конструкция и взаимозаменяемость деталей позволяют с легкостью обслуживать запорную арматуру.
При изготовлении корпуса применен чугун, диска — антикоррозионная сталь, уплотнений — EPDM.
Рабочая температура — +120 °С.
Условное давление — 16 бар.






