| Материал корпуса / body material | I |
| Исполнение / type | 51 |
| Корпус / body | G-X6CrNiMo 18 10 |
| Закрывающая плитка / disc | X3CrNiMo 17-13-3 |
| шайба центрирующая / centring ring | G-X6CrNiMo 18 10 |
| закрывающая пружина / spring | X3CrNiMo 17-13-3 |
| максимальная температура / max. temperature | 300oC |
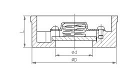
| DN | 275I | ||||||
| g | d | D | F | W | L | ||
| mm | inch | mm | kg | ||||
| 15 | G 1/2 | 15 | 43 | 53 | 43 | 16 | 0,1 |
| 20 | G 3/4 | 20 | 53 | 63 | 53 | 19 | 0.16 |
| 25 | G 1 | 25 | 63 | 173 | 63 | 22 | 0,28 |
| 32 | G 1 1/4 | 30 | 75 | 84 | 75 | 28 | 0,52 |
| 40 | G 1 1/42 | 38 | 80 | 94 | 80 | 32 | 0,70 |
| 50 | G 2 | 47 | 95 | 107 | 95 | 40 | 1,1 |
| 65 | G 2 1/2 | 62 | 115 | 126 | 115 | 46 | 1,58 |
| 80 | G 3 | 77 | 131 | 145 | 131 | 50 | 1,78 |
| 100 | G 4 | 96 | 150 | 164 | 150 | 60 | 3,3 |
| 125 | G 5 | 119 | 180 | 190,5 | 190,5 | 90 | 8 |
| 150 | G 6 | 141 | 209 | 219 | 219 | 106 | 12 |
| 200 | G 8 | 190 | 272 | 282 | 282 | 140 | 22 |
| 250 | G 10 | 225 | 317 | 317 | 317 | 145 | 35 |
| 300 | G 12 | 280 | 369 | 380 | 380 | 160 | 45 |
Обратные клапаны Zetkama 275I пружинного типа применяются с целью предотвращения возможности движения носителя в промышленных коммуникациях в неверном направлении. Допускается эксплуатация с такими рабочими средами, как промышленная вода, пар, воздух. Эта арматура применяется в отоплении, энергетике, судостроении, холодильных установках, системах с неагрессивными средами.
Обратные клапаны устанавливаются между фланцами. Это компактные устройства, которые имеют простую конструкцию и не требуют постоянного обслуживания.
При производстве корпуса клапана применена нержавеющая сталь.
Рабочая температура — +300 °С.
Условное давление — 40 бар.





