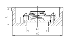
| Материал корпуса / body material | H |
| Исполнение / type | 50 |
| Корпус / body | CuZn39Pb2 |
| Закрывающая плитка / disc | X6CrNiMoTi 17-12-2 |
| шайба центрирующая / centring ring | X10CrNi 18-8 |
| закрывающая пружина / spring | X6CrNiMoTi 17-12-2 |
| максимальная температура / max. temperature | 200oC |
| DN | 275H | |||
| g | D | L | ||
| mm | inch | kg | ||
| 15 | G 1/2 | 40 | 16 | 0,1 |
| 20 | G 3/4 | 47 | 19 | 0.13 |
| 25 | G 1 | 56 | 22 | 0,21 |
| 32 | G 1 1/4 | 72 | 28 | 0,48 |
| 40 | G 1 1/42 | 82 | 32 | 0,63 |
| 50 | G 2 | 95 | 40 | 1,0 |
| 65 | G 2 1/2 | 115 | 46 | 1,5 |
| 80 | G 3 | 132 | 50 | 2,0 |
| 100 | G 4 | 152 | 60 | 3,2 |
| 125 | - | - | - | - |
| 150 | - | - | - | - |
| 200 | - | - | - | - |
| 250 | - | - | - | - |
| 300 | - | - | - | - |
Обратные клапаны Zetkama 275H пружинные могут применяться в сетях водоснабжения, паровых системах, трубопроводах со сжатым воздухом, холодильных и энергетических системах. Эти устройства предотвращают обратное движение рабочих сред.
Фиксация осуществляется межфланцевыми соединениями. Данные обратные клапаны отличаются компактным размером и простой конструкцией, для них не требуется постоянный уход.
В качестве материала изготовления корпуса использована латунь.
Рабочая температура — +200 °С.
Условное давление — 16 бар.
Этот сайт использует cookies для улучшения работы. Подробнее в {https://www.buildeng.ru/agreement/politika-obrabotki-personalnykh-dannykh.php}.




