Шаровые краны типа BVR предназначены для перекрытия потока перемещаемой по трубопроводам среды — воды или этиленгликолевых растворов — или выпуска ее при дренировании трубопроводов. Латунные шаровые краны являются оптимальным решением для оснащения арматурой внутренних систем отопления, водоснабжения, вентиляции и холодоснабжения, а также в тепловых пунктах в тех местах, где теплоноситель имеет умеренные температуры и давление. Кран шаровой с воздуховыпускным устройством и заглушкой используется в том случае, если есть необходимость выпустить воздух из трубопровода или, наоборот, запустить воздух при сливе воды из стояка или иного элемента системы. Также он может применяться для установки манометра.
| Условный проход Ду, мм | Кодовый номер | Размер присоеди- нительной резьбы R, дюймы | Условное давление Ру, бар | Температура перемеща- емой среды, °С | Условная пропускная способ- ность Kvs, м3/ч | Допустимая концентра- ция гликоля, % | |||||||
| Тмин. | Тмакс. | ||||||||||||
| 15 | 065B8207 | ½ | 40 | –15 | 110 | 15 | 50 | ||||||
| 20 | 065B8208 | ¾ | 28 | ||||||||||
| 25 | 065B8209 | 1 | 39 | ||||||||||
| 32 | 065B8210 | 1¼ | 84 | ||||||||||
| 40 | 065B8211 | 1½ | 156 | ||||||||||
| 50 | 065B8212 | 2 | 243 | ||||||||||
| 65 | 065B8213 | 2½ | 476 | ||||||||||
| 80 | 065B8214 | 3 | 770 | ||||||||||
| 100 | 065B8215 | 4 | 1200 | ||||||||||
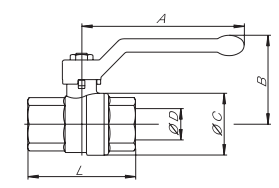
| Условный проход Ду, мм | мм | 15 | 20 | 25 | 32 | 40 | 50 | 65 | 80 | 100 | |||||
| дюймы | ½ | ¾ | 1 | 1¼ | 1½ | 2 | 2½ | 3 | 4 | ||||||
| Ø D, мм | 15 | 20 | 25 | 32 | 40 | 50 | 65 | 80 | 100 | ||||||
| A, мм | 85 | 105 | 105 | 130 | 130 | 165 | 260 | 260 | 260 | ||||||
| B, мм | 49 | 57 | 61 | 70 | 76 | 92 | 116 | 127 | 142 | ||||||
| Ø С, мм | 32 | 40 | 48 | 60 | 72 | 88 | 110 | 134 | 155 | ||||||
| L, мм | 61 | 70 | 84 | 98 | 108 | 130 | 133 | 156 | 192 | ||||||
| Масса, кг | 0,20 | 0,33 | 0,48 | 0,78 | 1,16 | 1,84 | 3,63 | 5,60 | 8,55 | ||||||
| № | Деталь | Материал | ||||||||||
| 1 | Корпус | Латунь CW617N (Pb ≤ 2,2%) | ||||||||||
| 2 | Гайка сальника | Латунь CW617N | ||||||||||
| 3 | Шток | Латунь CW617N (Pb ≤ 2,2%) | ||||||||||
| 4 | Шар | Хромированная латунь CW617N (Pb ≤ 2,2%) | ||||||||||
| 5 | Уплотнение шара | Тефлон PTFE | ||||||||||
| 6 | Уплотнение штока | EPDM | ||||||||||
| 7 | Рукоятка | Алюминий | ||||||||||
| 8 | Гайка | Оцинкованная сталь | ||||||||||
| Покрытие корпуса | Никелирование | |||||||||||
| № | Деталь | Материал | ||||||||||||||||
| 1 | Корпус | Латунь CW617N (Pb ≤ 2,2%) | ||||||||||||||||
| 2 | Гайка сальника | Латунь CW617N | ||||||||||||||||
| 3 | Шток | Латунь CW617N (Pb ≤ 2,2%) | ||||||||||||||||
| 4 | Шар | Хромированная латунь CW617N (Pb ≤ 2,2%) | ||||||||||||||||
| 5 | Уплотнение штока и шара | Тефлон PTFE | ||||||||||||||||
| 6 | Рукоятка | Алюминий | ||||||||||||||||
| 7 | Гайка | Оцинкованная сталь | ||||||||||||||||
| Покрытие корпуса | Никелирование | |||||||||||||||||
Шаровые краны Danfoss BVR обеспечивают перекрытие рабочей среды в трубопроводе и позволяют ее выпускать во время дренирования. Помимо этого краны могут использоваться для того, чтобы установить манометр. Эти модели кранов не могут выступать в качестве элементов регулировки.
Благодаря специальной системе шаров кранов предотвращается повреждение корпуса вследствие замерзания воды и распространение бактерий как результат застоя воды.
Это шаровые краны с полным проходом, для монтирования на трубопровод используется внутренняя резьба UNI ISO 7/1.
Для производства корпуса крана применена латунь.
Возможная температура рабочей среды не превышает +110 °С.
Условное давление — 40 бар.

 

