Шаровые краны типа BVR предназначены для перекрытия потока перемещаемой по трубопроводам среды — воды или этиленгликолевых растворов — или выпуска ее при дренировании трубопроводов. Латунные шаровые краны являются оптимальным решением для оснащения арматурой внутренних систем отопления, водоснабжения, вентиляции и холодоснабжения, а также в тепловых пунктах в тех местах, где теплоноситель имеет умеренные температуры и давление. Кран шаровой с воздуховыпускным устройством и заглушкой используется в том случае, если есть необходимость выпустить воздух из трубопровода или, наоборот, запустить воздух при сливе воды из стояка или иного элемента системы. Также он может применяться для установки манометра.
Номенклатура и кодовые номера для оформления заказа| Условный проход Ду, мм | Кодовый номер | Размер присоеди- нительной резь- бы R, дюймы | Условное давление Ру, бар | Температура перемещае- мой среды, °С | Условная пропускная способ- ность Kvs, м3/ч | Допустимая концентрация гликоля, % | |||||||
| Тмин. | Тмакс. | ||||||||||||
| 15 | 065B8203 | ½ | 40 | –15 | 110 | 14 | 50 | ||||||
| 20 | 065B8204 | ¾ | 26 | ||||||||||
| 25 | 065B8205 | 1 | 36 | ||||||||||
| 32 | 065B8206 | 1¼ | 80 | ||||||||||
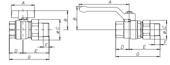
| Условный проход Ду | мм | 15 | 20 | 25 | 32 | |||||||||||||||
| дюймы | ½ | ¾ | 1 | 1¼ | ||||||||||||||||
| A, мм | 47 | 56 | 56 | 130 | ||||||||||||||||
| B, мм | 35 | 42 | 46 | 70 | ||||||||||||||||
| Ø С, мм | 33 | 40,5 | 49 | 41 | ||||||||||||||||
| D, мм | 25 | 29 | 34,5 | 55 | ||||||||||||||||
| E, мм | 50 | 57,5 | 67,5 | 74 | ||||||||||||||||
| F, мм | 10 | 12 | 14 | 15 | ||||||||||||||||
| G, мм | 75 | 86,5 | 102 | 129 | ||||||||||||||||
| Масса, кг | 0,22 | 0,37 | 0,61 | 1,09 | ||||||||||||||||
| № | Деталь | Материал | ||||||||||||||||||||
| 1 | Корпус | Латунь CW617N (Pb ≤ 2,2%) | ||||||||||||||||||||
| 2 | Накидная гайка и ниппель | Латунь CW617N (Pb ≤ 2,2%) | ||||||||||||||||||||
| 3 | Шток | Латунь CW617N (Pb ≤ 2,2%) | ||||||||||||||||||||
| 4 | Шар | Хромированная латунь CW617N (Pb ≤ 2,2%) | ||||||||||||||||||||
| 5 | Уплотнение | Тефлон PTFE | ||||||||||||||||||||
| 6 | Уплотнительное кольцо | HNBR | ||||||||||||||||||||
| 7 | Уплотнительное кольцо штока | EPDM | ||||||||||||||||||||
| 8 | Уплотнение ниппеля | EPDM | ||||||||||||||||||||
| 9 | Рукоятка «бабоч- ка» | Алюминий | ||||||||||||||||||||
| 10 | Гайка | Оцинкованная сталь | ||||||||||||||||||||
| Покрытие корпуса | Никелирование | |||||||||||||||||||||
Шаровые краны Danfoss BVR-F применяются в отопительных, охладительных системах, сетях водоснабжения. Соединение крана осуществляется при помощи накидной гайки (американки).
Шаровые краны имеют устройство, которое позволяет выпустить воздух из трубопровода или запустить, когда сливается вода из стояка или другого элемента системы. Кроме того такой кран может использоваться для монтирования манометра.
Краны не используются как регулирующие устройства.
Краны имеют латунный корпус и алюминиевую рукоятку типа «бабочка».
Допустимый температурный диапазон рабочей среды — от -15 до +110 °C.
Условное давление — 40 бар.


