| Условный проход | Ду, мм | 15 | 20 | 25 | 32 | 40 | 50 | 60 | 80 | 100 | 125 | ||||||||||||||||
| Пропускная способность, Kvs | м3/ч | 12 | 18 | 28 | 44 | 60 | 90 | 150 | 225 | 280 | 400 | ||||||||||||||||
| Характеристика регулирования | линейная | ||||||||||||||||||||||||||
| Протечка через закрытый клапан | При разделении — не более 0,5% от Kvs при смешении — не более 1,0% от Kvs | ||||||||||||||||||||||||||
| Условное давление | Ру, бар | 5 | 10 | 15 | |||||||||||||||||||||||
| Максимальный перепад давлений ΔP | бар | 0,5 | |||||||||||||||||||||||||
| Крутящий момент при Ру | Нм | 5 | |||||||||||||||||||||||||
| Регулируемая среда | вода или водный раствор гликолей с концентрацией до 50% | ||||||||||||||||||||||||||
| Показатель кислотности регулируемой среды | рН | от 7 до 10 | |||||||||||||||||||||||||
| Температура регулируемой среды | Т, °С | 2—110 | |||||||||||||||||||||||||
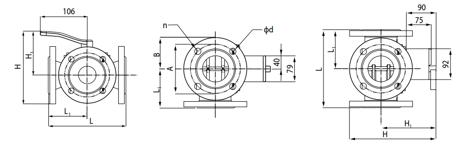
| Соединения с трубопроводом | Фланцевое, Ру 6 | ||||||||||||||||||||||||||
| Материалы | |||||||||||||||||||||||||||
| Корпус и регулирующая заслонка | Серый чугун EN-GJL-250 (GG25) | ||||||||||||||||||||||||||
| Регулирующая заслонка | Латунная отливка CuZn36Pb2As+(BrassDZR,CW602N) | ||||||||||||||||||||||||||
| Кольцевое уплотнение шпинделя | EPDM | ||||||||||||||||||||||||||
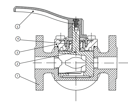
Клапаны регулирующие Danfoss HFE 3 предназначены для управления потоком теплоносителя в производительных системах тепло- и холодоснабжения. Устройства комплектуются эргономичной ручкой, но при обустройстве автоматических систем распределения тепла могут совмещаться с электроприводами AMB 162 и AMB 182.
Клапаны регулирующие HFE 3 могут работать как в смесительном, так и в разделительном режиме.
Характеристика регулирования — S-образная. На корпусе имеется наглядный индикатор, форма которого делает его хорошо различимым даже при установке редукторного электропривода.
Этот сайт использует cookies для улучшения работы. Подробнее в {https://www.buildeng.ru/agreement/politika-obrabotki-personalnykh-dannykh.php}.





